Каталог

907120602 Петля Sensys 8645i TH 52 угол откр. 110гр. смеж.

Артикул товара: 26139
Избранные товары

Характеристики

Производитель Hettich
Вид товара Петля
Вид петли Четырехшарнирная
Вид навески Полунакладная
Вид монтажа Быстрый
Угол корпуса + 90°
Угол открывания 110°
Доводчик Есть
Диаметр чаши (мм) 35 мм
Глубина чаши (мм) 12,8 мм
Пружина Стандартная
Монтажная планка Отсутствует
Цвет Никель

Описание

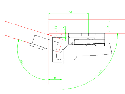
Петли Sensys 8645i, База 3, навеска на среднюю стенку, TH 52, под прикручивание

- Скрытая петля с техникой защелкивания со встроенным
  демпфером с функцией самозакрывания
- Качество соответствует стандарту EN 15570, уровень 3
- Для двери толщиной 15–24 мм
- Диаметр чашки петли 35 мм
- Глубина чашки петли 12,8 мм
- Встроенная регулировка наложения +2/–2 мм
- Встроенная регулировка по глубине +3/–2 мм
- Регулировка по высоте с помощью монтажной планки
- Материал консоли петли: никелированная сталь
- Материал чашки петли: никелированная сталь

МОНТАЖНЫЕ ПЛАНКИ ПРИОБРЕТАЮТСЯ ОТДЕЛЬНО

Инструкция по монтажу 1
Инструкция по монтажу 2


      Цена в Челябинске
      Опт: 437,70 ₽ / шт
      612,78 ₽ / шт

      Наличие товара в городах
      Челябинск больше 100 шт
      Уфа больше 100 шт
      Тюмень 18 шт

      Выбрать город
      Челябинск
      Челябинск, ул. Шарова, 77
      +7 (351) 734-97-98 (многоканальный)
      Уфа
      Республика Башкортостан, Уфа, Базисный проезд, 4
      +7 (347) 216-55-40 (многоканальный)
      Тюмень
      Тюмень, Московский тракт, 136/9
      +7 (3452) 66-63-33 (многоканальный) , +7 982 972-27-33