Каталог

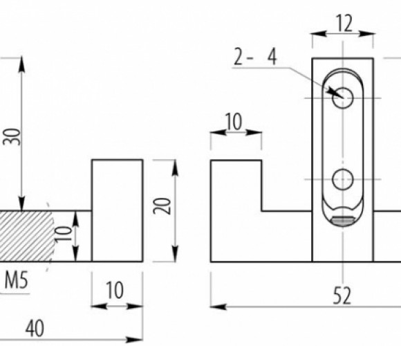
Крючок мебельный WZ-K2202-01 хром

Артикул товара: 31334
Избранные товары

Характеристики

Тип крючка Двухрожковый
Цвет Хром полированный
Материал Металл
Производитель GTV

Цена в Челябинске
475,33 ₽ / шт

Наличие товара в городах
Челябинск 33 шт
Уфа 26 шт
Тюмень 7 шт

Выбрать город
Челябинск
Челябинск, ул. Шарова, 77
+7 (351) 734-97-98 (многоканальный)
Уфа
Республика Башкортостан, Уфа, Базисный проезд, 4
+7 (347) 216-55-40 (многоканальный)
Тюмень
Тюмень, Московский тракт, 136/9
+7 (3452) 66-63-33 (многоканальный) , +7 982 972-27-33